企业基本情况简介
一、企业基本信息
企业名称:天津新伟祥工业有限公司
法定代表人:陈吴百合
企业所在地址:天津市武清区上马台镇金发路2号
二、排放有毒、有害物质(危险废物)概述
本企业高度重视环境保护,严格遵守国家及地方环保法律法规,对于生产过程中可能产生的有毒、有害物质(危险废物)实行严格管理。主要涉及的危险废物包括废切削油、含油废水、废油、铅酸蓄电池等。
三、危险废物产生和处置情况
1. 内部处理措施:公司配备有先进的低温真空蒸馏设备,用于对废切削油、含油废水等危险废物进行减量化处理,有效减少废物产生量并提升其资源化利用水平。
2. 外部委托处理:对于低温真空蒸馏设备处理后剩余的危废,以及直接产生的废油、铅酸蓄电池等,公司全部委托给具有专业资质的天津合佳威立雅服务有限公司进行安全、规范的收集、运输、贮存和处置,确保危险废物得到合法合规处理。
四、依法落实环境风险防控措施情况
1. 排污许可管理:本企业已于2023年12月1日成功取得最新的排污许可证,严格按照许可证要求排放污染物。
2. 突发环境事件应急预案管理:为有效应对突发环境事件,公司于2022年12月19日更新并发布了《天津新伟祥工业有限公司突发环境事件应急预案》,明确了应急响应机制、处置流程和责任分工,确保在发生环境风险时能够迅速、有效地采取应对措施,减少环境影响。
荣获2015年度Borgwarner最佳年度供应商奖


2015年12月8日顺利拿到高新证书(再认证)
|
|
2016年4月份研发费用税前加计扣除项目顺利通过市科委鉴定
2016年3月份顺利通过《企业安全生产标准化》认证
基础信息:
单位名称:天津达祥精密工业有限公司
组织机构代码: 74913477-2
法定代表人:陈友三
生产地址:天津市武清区上马台工业区金发路6号
联系方式:022-82889920
生产经营的和管理服务的主要内容,产品及规模:天津达祥精密工业有限公司属于汽车零部件及配件制造业,
主要产品包括双流道连体排气管、双流道涡轮壳、连体排气管等涡轮增压器和发动机行业复杂零件,产品年
产量超过3万吨,市场占有率位居世界前列。
一、企业基本情况
二、监测点位及项目
三、监测点位示意图
四、监测项目及频次
注:以上监测项目委托有资质的第三方(北京科卓检测技术有限公司)进行监测。
五、公开时限
1、报天津市监测中心信息平台对外公布;企业检测结果采用板报张贴方式进行对外公布。
2、发布数据的时限为:生活废水每月对外发布一次、工艺废气和厂界噪声每季度对外发布一次。
3、每年一月公布上年度的企业自行监测年度报告。
注:此监测方案从2016年4月开始实施
天津达祥精密工业有限公司
2016年4月1日
防治污染设施的建设和运行情况
天津达祥精密工业有限公司所有防治污染设施都在正常运转,达标排放符合相关法律、法规的标准要求。
排污信息
主要污染物特征污染物的名称、排放方式:
排放口的数量和分布情况:排放口一个,位置在厂区污水处理站东侧。
排放方式:间断排放。
排放浓度总量以及核定排放量:
(1).jpg)
(单位:PH值无量钢)
水质检测报告
废气检测报告
1、采样信息
2、检测基本信息
3、检测结果
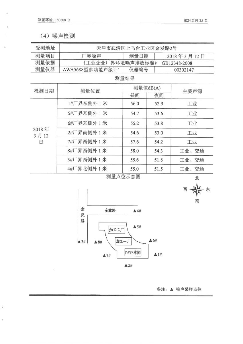
噪声监测位置示意图
()
1. 总则
1.1 编制目的
为有效应对环境突发环境事件,建立健全本单位环境污染事件应急机制,提高本企业员工应对突发环境事
件的能力,通过本预案的实施,对可能发生的隐患进行有效管理和控制,有效地防止突发性环境事件的发生并
能在发生事故后迅速、准确、有条不紊的开展应急处置,把损失和危害减少到最低程度。
1.2 编制依据
1.2.2《中华人民共和国突发事件应对法》
1.2.3《中华人民共和国水污染防治法》(2008年修订)
1.2.4《中华人民共和国大气污染防治法》
1.2.5《中华人民共和国固体废物污染环境防治法》
1.2.6《国家突发公共事件总体应急预案》
1.2.7《国家突发环境事件应急预案》
1.2.8《危险化学品名录》 (2002年版)
1.2.9《国家危险废物名录》(环境保护部令第1号)
1.2.10《突发环境事件应急预案管理暂行办法》(环保部文件 环发[2010]113号)
1.2.11《天津市突发公共事件总体应急预案》
1.2.12《天津市环保局突发环境事件应急预案》
1.2.13《武清区突发环境事件应急预案》
1.2.14《天津市突发环境事件应急预案编制导则》(企业版)
其他相关的法律、法规和规章等。
1.2.15 《企业突发环境事件风险评估指南(试行)》
1.3 适用范围
本预案适用于我公司在天津武清上马台工业园建设的厂区内发生的化学品泄漏、火灾等突发事故,或周边
区域可能危及本公司或请求支援的环境突发事件的应对工作。
1.4 工作原则
环境突发事件由事件应急救援指挥部统一领导,各部门负责人各负其责,全体成员分工负责,运转协调
有序,反应快速、高效,处置合法、规范,坚持以下原则:以人为本,安全第一。把保障员工的人身安全和
身体健康放在首位,防止事故扩大,减少事故影响,切实加强企业员工的安全防护,最大限度地减少事故灾
难造成的人员伤亡和危害;预防为主,平战结合。做好事故预防、预警和预报工作。定期开展培训教育,组织
应急演练,提高企业员工的安全意识,做好物资和技术储备工作。做好社会宣传,提高周边企事业单位的安全
意识;快速响应,果断处置。环境突发事件的发生具有很强的突发性,按照分级响应的原则快速启动相应的应
急预案;统一领导,分级负责。在天津市武清区环保局的统一领导下,公司应急救援指挥部负责现场指挥应急
救援工作,相关部门按照各自职责和权限,负责事故的应急处置工作。
2. 基本情况
2.1单位基本情况
单位名称:天津达祥精密工业有限公司;
地址:天津武清区上马台工业园区金发路6号;
企业法人:陈友三;
法人代码:74913477-2;
员工人数:3000人
新改扩建时间:2013年4月
中心坐标经纬度:东经117°12′46″北纬39°22′44″
天津达祥精密工业有限公司成立于2003年,为台湾独资企业。公司专营铸铁/钢和机加工生产。公司占
地面积约 16.7 万平方米,总建筑面积 18.6万平方米。企业人数为3000人,主要生产产品为双流道连体排
气管、双流道涡轮壳、连体排气管等涡轮增压器和发动机行业的复杂零件等,产量为3万吨/年天津达祥精密
工业有限公司坐落于天津市武清区上马台工业园区,东临北宝路,南邻天津恒胜得利金属有限公司,西邻百
里富、奥特盛业公司,北邻金鑫道,周边无重大危险源。企业人员主要集中场所包括:四座加工车间、一座
制芯厂、一座教育中心、一栋办公楼以及一座技术中心,全部为独立建筑,所在厂区内主要道路为 10 m宽,
次要道路最小宽度为7 m, 消防道路均为 4 m宽,最小转弯半径 9m,满足企业生产及厂区消防需要。
表2-1 厂区主要建筑物情况表
厂区的平面布置图见图2-1。
图2-1 厂区平面简图
厂区坐落于天津市武清区上马台工业园区,东临北宝路,南邻天津恒胜得利金属有限公司,西邻百里富、
奥特盛业公司,北邻金鑫道。
图2-2 企业周边环境图
企业周边区域3km范围内主要环境敏感目标分布情况
见下表2-2。
表2-2 厂区周边主要环境敏感点分布情况
2.3主要化学品原料储运情况
2.3.1 存储规模和地点
本公司主要利用危险品仓库、原料品库进行原辅料的储存,企业生产所涉及的主要功能原料中液态化学
品包括:桶装切削液、桶装三乙胺、桶装油漆等,另外厂内自建污水处理站涉及的化学品包括;硫酸、片碱、
次氯酸钠等,具体储存情况见下表2-3。
表2-3 主要原辅料储量及周转量
产品生产的主要设备情况见下表2-4
表2-4 厂内主要生产设备情况
表2-4 主要原辅材料性状及用途
2.3.2 产品生产工艺流程图
产品生产工艺流程图:
图2-3 企业产品生产工艺流程图
企业生产所涉及产品的主要生产工艺步骤为对钢材的的熔解、制芯、浇注以及后处理、清洗、浸油包装后
外售。
生产工艺流程简述:
公司的生产工艺主要包括铸造和机加工两个环节,工艺具体说明如下所示:
1.熔解工序:将生铁、废钢和返材等原料在电炉中进行高温熔解,熔解温度为铸钢1600—1750℃,铸铁1350
—1500℃,通过成分分析,向铁水中加入适量合金调整铁水成分,合格的铁水经铁水包运至造型线,供造型
工序浇注使用。
2.造型工序:在混砂机中加入煤粉、膨润土和淀粉和水,与砂子混合进行混砂处理,处理完成后的砂子进入造
型线进行造型,造型完成后的砂模放入制作好的砂芯,合箱形成砂箱,将电炉运过来的铁水经浇注机进行浇
注,浇注后铸件经过冷却皮带,逐渐冷却,经过落砂机内将铸件与砂子进行分离。分离后铸件进入后处理工
序,废砂经磁选机将废铁分离后进入砂冷却系统,然后进入砂仓,砂仓中的砂子经过斗提进入混砂机中进行
混砂,重复使用,多余的砂子送至再生砂车间进行处理后重复使用。
3.制芯工序:覆膜砂经过制芯机制成砂芯,制成的砂芯散件经过修毛边去除毛刺,然后经过烘烤、检验,将
检验合格的砂芯进行组芯,组装成合格的成品砂芯,成品砂芯经过叉车运输运到造型现场,供造型使用。本
阶段主要消耗电能。
4.后处理工序:从落砂机上出来的铸件进入到裙板机上,将流路去除掉,再通过无齿锯将冒口去掉,流路和
冒口作为返材重复使用,然后再将铸件进行抛丸处理,抛丸过程中产生的粉尘经集尘机处理后外排,然后对
铸件进行研磨,去除表面细小毛边,研磨。
5.过程产生的粉尘经集尘机处理后外排,最后对铸件进行热处理,加热温度在900度左右。
6.检验:对经过后处理的铸件进行抽检,主要包括硬度、机械性能、金相检测,经检验不合格的铸件作为返
材重复利用,将合格的铸件转给加工部。
7.加工:铸造工序生产的合格毛坯件作为原料进入到加工部,根据不同的件号采用不同的机加工设备和加工
工序对工件进行加工,毛坯件经机加工设备加工并达到检验标准后,对工件进行清洗和浸油处理,处理完成
后对工件进行包装,入成品库。
污染物排放情况:
废气:
1.在钢制原料和返工废材溶解G1过程产生的烟尘、二氧化硫、氮氧化物通过布袋除尘器和尾气净化洗涤装置处
理后,经车间墙壁上轴流风机排到室外;
2.在造型、抛丸过程中产生的粉尘G2经集气罩收集,经小型布袋除尘器处理后,经15米高排气筒有组织排放;
3.企业配套辅助设施燃气锅炉G4,通过验收监测报告表明燃气锅炉中排放的烟尘、二氧化硫以及氮氧化物排
放浓度达到相应标准限值的要求。
废水:
成品钢制构件清洗产生的废清洗液与含油废水组成的废液W2;工作人员产生的生活污水W3,以上废水一并
进入厂区建设的污水处理站进行净化处理,根据企业环保验收监测报告净化处理后的排放废水中各项污染物浓
度均满足《污水综合排放标准》DB12/356-2008、GB8978-1996中标准要求。
固体废弃物:
1.S1:在熔解阶段使用焦炭供热产生的燃烧废渣,经收集后运至指定的固废堆场处理;
2.S2:生产废气经由布袋除尘器处理后截留产生的烟尘,经收集后暂存至工厂危废储存区,然后统一交由具有
一定资质的环保公司处理;
3.S3:造型抛丸后的检验阶段和机加工阶段产生的废材和残次品,统一收集进行返工,重复利用;
4.S4:职工产生的生活垃圾,定期由开发区环卫部门清运;
5.S5:废切削液由具有回收资质的单位合理化处置。
噪声:
本项目主要声源为锅炉风机、冷却系统、以及机加工车间与后处理车间内的生产设备等,
根据验收监测报告在厂界四周的噪声监测值表明,满足《工业企业厂界环境噪声排放标准》
GB12348-2008中3类声环境功能区相应标准限值的要求。
2.3.3货物转运工艺
图2-4 化学品原料仓储流程
桶装化学品原料主要采取在厂区内的危险品仓库内贮存,外运采用箱式货车,外购的桶装液体原料首先进行外
观检验,确认无泄漏和浑浊等非正常状况后,转移至危险品仓库内,按照相应的消防规定储存在相应的位置内,
液体原料采取分类存放,物料最长存储时间约7天。
成品仓库内的产品可按照客户要求用箱式货车外运方式运输,由第三方运输公司提供运输货车,本公司运营人
员将货物按客户要求放入货车内。运输汽车进入厂区由厂区人员统一管理,到仓库出入口附近装卸,如发生少
量泄漏,采用沙土或其他不燃性吸附剂混合吸收;如发生火灾等事故,初期火灾,可用就近灭火器灭火,并可
利用室外消火栓对着火建筑进行冷却降温,灭火产生的消防废水经厂区预设管网进入事故水池。
2.3.4主要污染及治理措施
表2-5 污染物治理措施
3.1 环境风险源辨识
本公司一座生管毛坯仓库,一座危险品仓库以及一座成品仓库共贮存8种化工原料,根据GB18218-2009
《危险化学品重大危险源辨识》对其中部分单组份液体化学品原料进行鉴别,认为有部分物质具有易燃性及
毒性,按照储存物质的化学性质和日常贮存量,对是否构成重大危险源进行认定。
对于多种物质同时存放或使用的场所,若满足∑(qi/Qi)≥1则定为重大危险源。本项目各种物料的日常贮存
量和临界量比值之和见下表3-1
表3-1 本项目重大危险源辨识结果
经过分析企业暂存各化学品原料不构成重大风险源。
企业在生产及物料贮存过程中可能产生的主要风险事故为泄漏及火灾事故,如发生泄漏事故并且没有得到
有效控制将可能导致土壤、地下水体污染等一系列环境问题。危险品仓库中化学品原料使用铁桶或塑料桶承装
将化学性质不相容的化学品分区存储。在车间的生产过程中机加工主要是使用切削液来冷却和润滑道具,由于
切削液包含多种成分,发生泄漏后会产生挥发性气体,对人体和周围环境产生一定的影响;使用的三乙胺主要
是用来在冷芯阶段用作常温固化剂,均在常温下进行,生产过程中主要风险源是三乙胺在使用过程中由于容器
破损或倾倒发生的泄漏,或与明火后可能产生的火灾事故。油漆是用来为成品物件覆盖保护膜的,主要风险为
使用过程中容器破损造成的泄露,遇明火或者高温易引发火灾事故。硫酸是作为水处理站的处理剂使用并存储
在处理站,不在工作车间范围内,即使发生泄漏,也可以及时的转移至水处理站处理,所以不会产生环境风险
在使用过程中危险品仓库中贮存的化学品原料全部为小规格塑料桶或者铁桶的原料,主要的风险事故源是存储
物料容器破损或倾倒,导致物料泄漏,易燃物料的泄漏后遇火源引起的火灾;切削液泄露后产生挥发性有机气
体,对人体和周围环境造成损害。综上所述,通过分析生产区及原辅料储存仓库贮存物料的性质及主要生产活
动,最大可信事故为:生产车间内三乙胺在各类容器中发生泄漏,切削液及油漆由于容器破损或倾倒而发生的
泄漏,发生泄漏事故后可能影响和污染的环境要素包括:由于挥发作用产生的对环境空气的污染,如泄漏的液
体控制不当在厂区出现漫流,可能污染土壤、地下水环境,冲洗废水收集处理不当后,可能将对所在地区的土
壤及地下水产生影响。同时,由于火灾事故发生后消防水在厂区内控制不当产生漫流可能进入的雨水管网最终
对地表水体的污染;对厂区周边土壤、地下水产生的影响。
3.2 环境风险评估
公司已委托天津市气象科学研究院编制完成了包含环境风险内容的环境影响评价文件,通过分析环境风险
源以及环境风险事故的影响类别、范围,根据风险预测结果,认为我公司所涉及产品在生产中使用及储存过程
中的原材料,具有易燃性,在输送、储存或者使用过程中如果发生泄漏,挥发到空气中,或者随着水体、土壤
进行迁移和扩散,对事故区域的环境具有较大的影响,企业制定相对完善的管理制度,加强物料运输、储运的
管控工作,在物料的进出时做好登记,在生产区,物料储存区、废料暂存区对各种原辅料的物理、化学性质均
做出张贴简介,提供其风险防范的应急措施。物料一旦泄漏,企业职工立即采取相应的紧急补救措施,日常工
作中需要及时排查和清除可能出现的隐患。目前,针对医药化工企业泄漏事故的应急处理方法主要是采用水冲
洗或使用不相容物吸附清理的方式进行合理化处置。同时,严格企业现场管理制度严禁明火的携带和使用。事
故冲洗水是一个不容忽视的二次污染问题,由于事故废水产生时间短,产生量巨大,不易控制和导向,泄漏物
料及冲洗水如控制不好可能进入厂区雨水管网并直接进入市政雨水管网后进入外界水体环境,如直接进入市政
污水管网则将对所在地区的污水收纳处理厂造成冲击。根据同类企业发生泄漏事故时的应急处理方法,采用水
冲洗的方式来清洗、稀释和汇集泄漏的化学品,针对可能产生的事故废水及消防水,生产车间地面上设有地漏
将冲洗水一并汇集至3300m3污水处理站水池中(事故发生后可兼做事故应急水池);危险品仓库内桶装物料如
发生泄漏首先使用沙袋在仓库门口堵漏控制物料漫流,之后使用吸附棉将物料吸附;承装油漆的容器如发生泄
漏,同样采取砂土吸附或采取冲洗的方式进行应急处置;承装油切削液的容器如发生泄漏,采取水冲洗的方式
进行应急处置。在泄漏或火灾事故处理过程中,事故冲洗水或消防水如在厂区内形成漫流首先进入雨水管网,
企业按照应急预案的要求立即关闭通向厂区外的雨水截门,阻断其向厂区泄漏。
4. 组织机构及职责
公司建立应急救援指挥部,负责紧急情况下人员和资源配置、应急反应小组人员调动、确定现场指挥人员
调查事故原因、批准预案的启动和终止、负责事故的上报及预案演练等。
4.1组织体系及相关机构职责
组织体系:公司成立突发环境事件应急救援“指挥领导小组”,由公司总经理、副总经理、各部门主管组
成,发生重大事故时,以指挥领导小组为基础,立即成立事件应急救援指挥部。总经理为总指挥、副总经理为
副总指挥。负责全公司应急总救援工作的指挥和组织,指挥部设在厂区办公室统一指挥全公司统一行动。若总
经理不在,由副总经理全权负责应急救援工作。必要时聘请相关专家,组成环境应急专家组,对环境应急事件
提出对应方案。
4.2指挥机构的主要职责
指挥机构的主要职责如下:
⑴组织制定应急救援预案;
⑵负责组织向政府相关部门和相邻企业请求救援,报告救援情况;
⑶负责批准本预案的启动与终止;
⑷负责配备应急物资装备及队伍,定期组织应急培训和演练;
⑸负责组织事故后的相关调查分析工作;
4.3 各组织机构主要职责
总指挥:陈教授
⑴全面指挥现场的应急救援工作;
⑵批准本预案的启动与终止;
⑶组织向政府相关部门和相邻企业请求救援,报告救援情况,对外信息发布;
副总指挥职责:李震
⑴协助总指挥负责具体的指挥工作;
⑵总指挥不在时履行总指挥的应急指挥职责,必要时代表指挥部对外发布相关信息;
医疗救护组:
负责人:杜宝松
成员:马臣
负责在现场附近的安全区域内设立临时医疗救护点,对受伤人员进行紧急救治并护送重伤人员至医院进一步治
疗。
应急处置消防组:
负责人:邹书朝
成员:张波
负责在紧急状态下的现场抢险作业,及时控制危险源,并根据化学品的性质立即组织专用的防护用品及专用工
具,对现场灭火、现场伤员的搜救、抢救伤员及事故后对被污染区域的洗消工作;
物资保障组:
负责人:杨志峰
成员:齐洪梅
负责将发生事故情况及时通报公司,协助总指挥做好事故报警、事故信息通报及周边公司的通报事故。负责通
知有关库房准备好沙袋、锨镐、泡沫、水泥等消防物资及劳动保护用品;备好车辆,及时运输所需物资供应现
场。
疏散警戒组:
负责人:孔祥东
成员:马占荟
负责对现场及周围安全人员进行防护指导、人员疏散及周围物资转移等工作,布置安全警戒,禁止无关人员和
车辆进入危险区域,在人员疏散区域进行治安巡逻。
环境监测组:
负责人:李昌
成员:杨作亮
当发生环境事故时,负责联络有资质的环境监测部门对大气、水体等进行环境及时监测,确定危险物质的成分及
浓度,确定污染区域范围,对事故造成的环境影响进行评估,制定环境修复方案并组织实施。
通讯联络组:
负责人:王桂龙
成员:王纲
负责将发生事故情况及时通报公司,协助总指挥做好事故报警、事故信息通报及周边公司的通报事故。
5.2应急设施和物资
公司根据应急预案要求建立应急处置设施和物资储备,具体救援器材及防护用品清单见表5-1。
表5-1 应急救援器材及防护用品
*①每个药箱包含:1套配套工具、1瓶酒精棉球、1瓶皮肤消毒剂、1瓶过氧化氢溶液、2卷医用绷带、2副检查
手套、1瓶云南白药、10片氨酚咖匹林片、5片创可贴、1包医用纱布、1包医用纱布、1卷医用胶带;*②应急防
护用品储存柜包含:2套防化服、2副防护眼镜、2副防化手套、2个活性炭呼吸器、2双防化靴
6. 预警与信息报送
6.1报警、通讯联络方式
6.1.1在车间和仓库内设置火灾报警装置,将气体监测信号汇总于办公楼内的安全中心,物业人员时时监控。
安全指挥中心设置有24小时应急指挥电话;
6.1.2厂区各办公室均配有厂内、厂外的联系电话,可以迅速联系到任何人员。公司还为在岗工作人员配备
手持式无线对讲机、消防值班人员及生产车间当值人员配备联系电话,保证在危险区域也可以第一时间与
外界联系。
6.1.3公司还与相邻单位及上级政府部门及救援组织机构建立联系,如需外部支援可以迅速与外部联络。
6.1.4员工应掌握以下应急救援电话:
总指挥电话: 陈教授 手机: 13602068320
副总指挥电话: 李震 手机:13002225128
厂内报警电话:022-82289920
武清区环保局事故报告电话: 022-29341573
武清区安全生产监督管理局: 022-82125008
武清区质量技术监督管理局: 022-27182013
世烨机电有限公司: 022-82280977
天津百里富工业有限公司: 022-82289360
6.1.5运输危险化学品驾驶员、运输公司联系方式:
表 6-1 原辅料运输公司一览表
公司应急救援小组接到可能导致环境污染事故的信息后,按照分级响应的原则及时启动事先编制好的事故应急
预案,并通知有关部门采取有效措施防止事故影响扩大,当应急救援指挥部认为事故较大,有可能超出本级处
置能力时,及时向武清上马台工业园管委会、天津市武清区环保局报告。武清上马台工业园管委会、天津市武
清区环保局及时研究应对方案,采取预警行动。
6.2信息报告与处置
6.2.1 企业内部报告:
24小时有效报警程序:
人工报警:每位员工熟悉报警电话。
各部门加强对可能产生物料泄漏事故的监控,对可能引发化学原料品泄漏等可能引发环境事故的重要信息应及
时上报,特别重大环境事故灾难发生后,事故现场有关人员应当立即报告公司法人代表及总经理可能引发环境
事故的信息,公司领导应及时通报各部门,紧急情况下,事故部门可越级上报。
6.2.2信息上报
当超过本公司的应急能力需要外界支持时,立即向天津武清开发区或武清区等有关应急救援部门求援(消防、
医疗公安、环保、质监、安监等),报告事故情况(包括伤亡人员、发生事故时间、地点、原因等),当事
故可能影响相邻企业或人员时立即通知对方。
6.2.3报告内容:
通报分为厂内通报和厂外通报。
本公司通报系统以安全指挥中心为中心向外通报,依照实际灾害状况做必要之通报,当灾害程度提升时,应根据
发生灾害的物质,泄漏程度,物料及冲洗水流向,适当的通报。
(1)公司内通报:
公司内通报由安全指挥中心通知各部门人员进行紧急处理.非普通班时间,则由警卫依电话通知各负责人回厂,
以进行紧急应变。
(2)公司外通报:
公司外通报主要是请求支援,在公司外通报表中将列有消防单位,区内医院,及政府相关单位等电话,当紧急事故
发生时可依此电话表,循离本厂最近之请求支援,涉及周边群众生命安全的,应及时请求政府组织周边群众进行
疏散。
(3) 通报词:
事故发生通报人依通报表联络各单位时,通报以最短时间清楚地通知以争取时效所以通报词即为连络时最为方
便之参考,通报者可依此所列之项目进行通报.
通报如下所述:
<1>通 报 者: 天津达祥精密工业有限公司—报告
<2>灾害地点: 天津武清区上马台工业园区金发路2号
<3>时 间:于____日_____点____分发生.
<4>灾害种类:_______(火灾,泄漏事故).
<5>灾害程度:_________________________(污染物的种类数量,已污染的范围)
<6>灾 情:_________________________ (已造成或则可能造成的人员伤亡情况和初步估计的直接经济损失
潜在的危害程度,潜在的危害程度,转化方向趋向,可能受影响区域)
<7>请求支援:请提供_________(项目,数量).
<8>联络电话: 022-82289920
7. 应急响应和措施
7.1分级响应机制
针对突发环境事件的紧急程度、危害程度、影响范围、企业内部控制事态的能力以及需要调动的应急资源
,将突发环境事件应急处置行动分为不同的等级,并且按照分级负责的原则,明确应急响应级别,确定不同级
别的现场负责人,指挥调度应急处置工作和开展事故处置措施。
7.1.1突发环境事件实行三级应急响应。应急响应等级及内容如下:
Ⅰ级响应:当公司范围内发生不可控事故如火灾、化学品泄漏等有对环境造成重大影响且超出公司控制范
围的突发事件,启动Ⅰ级应急响应,这时需要外部联动,如消防、医疗、毗邻企业及其他机构人员的应急支援
,由总指挥负责全面的指挥与协调。全厂警报,全部人员撤离。
Ⅱ级响应:当公司生产区或物料储存区发生火灾、化学品泄漏等影响范围不超出公司边界的突发事件,启
动Ⅱ级应急响应,这时需要内部联动,同时企业各应急小组启动应急工作,应急总指挥或副总指挥负责现场的
指挥。全厂警报,其它人员撤离。
Ⅲ级响应:当公司仓库发生可控事故如小规模的泄漏、轻微中毒等对环境影响较小且在可控范围之内、
不产生严重后果,由各部门应急救援小组负责救援工作。
本预案响应程序见图7-1应急响应程序图
图7-1 应急响应程序图
7.2现场应急措施
7.2.1泄漏事故应急措施
在车间或危险品仓库内化学品泄漏事故,在确认化学品物化毒理特性后,迅速将原料桶封堵防止化学品
继续泄漏,针对化学品的泄漏如在车间建筑外发生泄漏,使用砂土或抹布等吸附物将化学品进行吸附处理,
之后再将吸附后的固体废物用铁铲集中存放于厂区危险废物暂存点;或者用消防水冲洗泄露的化学原料。
由于本厂危险品皆以桶为包装单位,针对在生产车间内发生三乙胺、油漆等料液的泄漏可立即采取消防沙
围堵外加吸附棉吸附的措施,确认包装桶不再泄露后,将消防沙和吸附棉用铁铲集中堆放与厂区危险品暂
存处,然后尽快交由专业的危废处置公司处置;针对切削液的泄露可立即采取消防水冲洗的方式处置,冲
洗的事故水排放至厂区自建的污水处理站处理。废水处理站安排专人专岗,每天定期对排放的水体进行各
类污染物的浓度监测,如发现污水处理设施的运行异常废水超标排放,立即通知上级部门,停止废水排放,
并暂停生产,待查明原因并解决后再开启污水运行设施。废吸附材料和废旧的化学品包装物作为固体废物
交有资质单位处理。应急过程中涉及空桶(干净倒桶)、吸附材料(吸附棉条、砂土)和铁铲的使用。应
急处理时应急处置人员应穿防化服,戴防毒面具及橡胶手套。禁止接触或跨越泄漏物,防止泄漏物进入雨
水收集系统。
7.2.2火灾、爆炸消防应急措施
厂房内一旦发生火灾,初期火灾,可用就近灭火器灭火,发生大型火灾时,并根据实际情况启动厂房建筑
外消火栓,采用各种灭火方法及时扑灭火灾。同时,利用室外消火栓对着火建筑进行冷却降温,并利用砂
土及时吸附,仓库外消防废水经雨水收集管道收集,经重力流汇集至厂区总雨水出口阀门处,由应急处置
组负责将其手动关闭厂区内向厂区外流出的阀门,消防废水可以控制在厂区内的雨水管网。仓库或厂房内
如发生火灾,采用消防水进行灭火产生的消防废水通过管道汇集至污水站水池中,暂存待通过检验其污染
物浓度后确定处理方式。应急过程涉及灭火器、消火栓、消防水集中存放点的利用。
7.2.3危险区隔离
确定事故发生时现场区域的划分以确保救援人员和撤离人员都能够处于一个相对安全的活动范围。各区域
将由警示带加以分割,并用警示牌作为提示标志。
危险区域:无论危险等级如何,事故发生地点和可能扩散的区域均为危险区域。次区域应有明显的警示标
志划分,使一般人员可以排除在此区域外,而只有受到专门训练和有特殊装备的应急救援小组人员能够在
此区域内进行特殊作业。凡是进入此区域人员都必须得到事故现场总指挥的授权。
安全区域:此区域作为事故发生时的指挥和准备区域。在所有员工都需要疏散的异常情况下,须马上确定
现场指挥人员和必要的专家安全的工作区域。安全区域的确定需要考虑当时的天气情况、事故的危害程度
和事故发生点在库区的位置等几个因素。可选择的地点有门卫室、办公楼外安全开阔地。
7.2.4安全疏散
(1)平时安全通道保持畅通;
(2)警报响起时,所有员工从最近的安全出口有秩序的离开;
(3)所有人员撤离后到指定区域报到,疏散警戒组成员负责统计人数;
(4)厂区人流出口作为紧急出口,公司人流出入的正门前空地区域作为紧急集合地点;
(5)现场应急人员在撤离前、撤离后向应急救援指挥部报告。应急处置专业队伍在接到指挥部通知后,
立即带上救护和防护装备赶赴现场,等候调令,听从指挥。由负责人分工,分批进入事发点进行现场抢
险或处置。在进入事发点前,负责人必须向指挥部报告每批参加抢险或处置的人员数量和名单,并做好
登记。应急处置完毕后,负责人向指挥部报告任务执行情况以及抢险人员安全状况,申请下达撤离命令。
指挥部根据事故控制情况,做出撤离或继续抢险、处置的决定,向应急处置队伍下达命令。组长接到撤
离命令后,带领本组成员撤离事发点至安全地带,清点人数,并向指挥部报告。
7.2.5可能产生二次污染的处理措施
液体泄漏物:考虑到企业日常储存化学品原料,在处理泄漏事故时,将堵漏产生的废物收集于密封容器中
,连同破损的包装桶和污水处理站水池内的高浓度冲洗废水一起,交有资质的危险废物处置单位处理。废
物和破损包装桶转移过程应严格按照《危险废物转移联单管理办法》中相关规定执行,填写危险废物转移
五联单。
7.3应急设施及应急物资的启用程序
应急预案启动后,应急救援指挥部指挥应急处置队伍赴现场处理,根据现场事故情况启用应急设备和物资,
车间和仓库内均设置有应急物资,当发生化学品物料泄漏时,启用堵漏工具等设施,发生火灾事故时,启
用消防设施。
7.4抢险、处置及控制措施
7.4.1应急抢险、处置队伍的调度
应急开始后,应急救援指挥部通讯联络组立即通知应急处置专业队伍在最短时间内赶赴现场。立即带上救护
和防护装备赶赴现场,等候调令,听从指挥。由负责人分工,分批进入事发点进行现场抢险或处置。
7.4.2抢险、处置方式、方法及人员的防护、监护措施
应急处置专业队伍到达现场后,根据应急总指挥的要求展开抢险和处置。进入现场时,应急人员应注意安全
防护,配备必要的防护装备。发生化学品泄漏事故时,进行现场处理的应急人员须戴上防毒面具和橡胶手套。
发生火灾事故时,应急消防人员须穿戴适当的防护设备(防化服)和带有保护整个面部的正压自给式呼吸装
置。应急处理时严禁单独行动。
7.4.3现场实时监测及异常情况下抢险人员的撤离条件、方法
发生下列情况,抢险人员采取紧急撤离,并报告应急指挥部:
(1)、个体防护装备已经损坏或自给式呼吸装置气量不足时;
(2)、事故现场或建筑物发出异响时;
(3)、发生突然性的剧烈爆炸,危及到自身生命安全。
7.4.4控制事故扩大的措施
(1)切断着火源或控制明火;
(2)转移现场的易燃物品,对于不能转移的易燃品实施降温、隔离等措施。
7.4.5控制事故可能扩大后的应急措施
(1)紧急请求所在地区消防大队的支援;
(2)迅速组织有关人员进行紧急警戒疏散。
7.5人员紧急疏散、撤离
根据实际情况,制定切实可行的疏散程序(包括疏散组织、指挥机构、疏散范围、疏散方式、疏散路线等)。
7.5.1疏散、撤离组织负责人
事故发生后,现场当班负责人或到达现场的指挥人员作为疏散、撤离组织负责人,若指挥不在现场,安全管理
人员作为疏散、撤离组织负责人。
7.5.2撤离方式、
警报响起时,所有员工应尽可能关闭防火门,从最近的安全出口有秩序的离开。厂区人流出口作为紧急出口,
公司正门前空地区域作为紧急集合地点;事故现场人员人员应撤离至紧急集合地点,进入安全区后,尽快去除
污染衣物,防止继发性伤害。一旦皮肤或眼睛受到污染应立即用清水冲洗,并就近医治。发扬群众性的互帮互
助和自救互救精神,帮助同伴一起撤离,对危重伤员应立即搬离污染区,然后就地实施急救。
7.5.3周边区域的单位、社区人员的疏散
当事故危及周边企业时,由应急总指挥直接联系政府有关部门和周边企业负责人,简要说明事态的缓急程度,
提出撤离的具体方法和方式。撤离方式有步行和车辆运输两种。
7.5.4受伤人员现场救护、救治及控制措施
首先,选择有利地形设置急救点。在进行急救时,救护人员必须佩戴防毒面具或空气呼吸器,防止继发性损害;
急救人员应迅速将中毒人员救离毒区至空气新鲜处,医护人员到现场先对伤员进行初步检查,按轻、中、重度
分型。呼吸困难时给氧,呼吸停止时进行人工呼吸,心脏骤停进行心脏按摩;皮肤污染时,脱去污染的衣服,
用2%硼酸液或流动清水冲洗;头面部灼伤时,要注意眼、耳、鼻、口腔的清洗;眼睛污染时,立即提起眼睑,
用大量流动清水冲洗,冲洗时间至少15分钟,注意不要用手揉眼睛;当人员发生烧伤时,应迅速将伤者衣物脱
去,用流动清水清洗降温,用清洁布覆盖创伤面,避免伤口污染,伤者口渴时,可适量饮用清水或含盐饮料;
眼睛接触时,立即提起眼睑,用大量流动清水或生理盐水冲洗。使用特效药物治疗,对症治疗,严重者迅速送
医院观察治疗。
7.5.5疏散路线和集合地点
当厂内发生紧急事故时,本公司员工疏散集合地点为公司正门前空地,靠近北侧来源道,并于集合地点由各部
门主管清点人数,遇疏散警报响起时,首先判断风向,原则上往上风处疏散,若气体泄漏源为上风处时,宜向
风向垂直方向疏散(以宽度疏散)。总指挥和应急处置小组确定如何寻找失踪人员及救援方案。警戒疏散组对
事故现场进行警戒。
注意事项:
(1)非本企业人员的安全撤离由接待人员负责。
(2)宣布应急结束前,任何人不得擅自返回工作地点。
7.5.6人员清点与警报解除
疏散计划执行过程中各部门主管负责人员清点,各部门主管将清点结果向总指挥报告,以决定寻找失踪人员,
提供必要的急救。警报末解除前,非应急人员不得进入公司。
7.6水环境突发环境事件的应急措施
本公司火灾事故时产生的消防废水进入流入雨水管道,企业应及时关闭雨水管道通向厂外的截门,之后将消
防废水控制在厂区地面下的雨水管道中,事故结束后使用水泵将消防废水注入事故污水处理站的水池内,水
池总容积为3300m3,收集后的消防废水采取相应的委托外运处理措施,消除消防应急处理过程中所衍生的二
次污染风险。
此外事故过程中产生的固体废物如废吸附材料和废灭火泡沫和干粉等,集中收集后存放于危险废物暂存处,委
托具有该类危险废物处理资质的单位进行处理。危险废物暂存地点地面已进行耐腐蚀硬化、防渗漏处理,且表
面无裂隙,所使用的材料要与危险废物相容,不会对该处的土壤、地下水造成污染。
7.7应急监测
若因厂区的突发环境事故导致周边环境可能可能受到污染,则启动应急监测,将有关污染信息上报至武清区环
保监测站,向其申请开展应急监测。应急监测人员进入现场时应穿戴个人防护用品和有效的呼吸防护装置。
对于水环境应急监测,可能涉及的监测因子包括COD、SS、pH。根据可能释放的物质确定应急监测因子,
监测点位设在污水排放口和雨水排放口处。应急监测的频次,在事故发生后24小时内,每4小时监测一次,24
-72小时,每12小时测一次,72小时后每天测一次,直至测定结果恢复为背景值方可结束应急监测。
7.8应急终止
7.8.1终止条件
符合下列条件之一的,即满足应急终止条件:
(1)事件现场得到控制,事件条件已经消除;
(2)污染源的泄漏或释放已降至规定限值以内;
(3)事件所造成的危害已经被彻底消除,无继发可能;
(4)事件现场的各种专应急处置行动已无继续的必要;
(5)采取了必要的防护措施以保护公众免受再次危害,并使事件可能引起的中长期影
响趋于合理且尽量低的水平。
7.8.2 应急终止的程序
(1)现场救援指挥部确认终止时机,或事件责任单位提出,经现场救援指挥部批准;
(2)现场救援指挥部向所属各专业应急救援队伍下达应急终止命令;
(3)应急状态终止后,应根据有关指示和实际情况,继续进行环境监测和评价工作。
7.8.3 应急终止后的行动
⑴ 突发性环境污染事故应急处理工作结束后,应组织相关部门认真总结、分析、吸取
事故教训,及时进行整改;
⑵ 组织各专业组对应急计划和实施程序的有效性、应急装备的可行性、应急人员的素
质和反应速度等作出评价,并提出对应急预案的修改意见。
⑶ 参加应急行动的部门负责组织、指导环境应急队伍维护、保养应急仪器设备,使之
始终保持良好的技术状态。
7.8.4信息发布
事故信息发布应尊重事实、客观准确。办公室负责事故后接待媒体。
8. 后期处置
8.1 现场恢复
应急完终止后应对事故现场采取妥善的保护措施,以利取得相关证据分析事故原因
,制定改善对策。同时还可以有效避免二次事故的发生。
突发环境事故染毒区域内人员、装备器材,必须进行现场洗消
(1)洗消时,必须正确选择洗消剂,并按照规定比例使用;
(2)在清理化学品泄漏现场时,必须检查阴井、暗沟等处有无残留物。必要时进行冲
洗,并注意水流方向;
(3)洗消后的污水要妥善处理,防止造成二次污染。
8.2善后赔偿
(1) 若有人员伤亡,按照国家的相关法律、法规规定执行;
(2) 周边企业受到影响,造成经济损失的,双方协商达成共识后进行赔偿;
(3) 应急救援过程中,周边企业支援救助的物资、人力等,双方协商达成共识后进行
补偿;
(4) 其他未尽事宜,依照国家相关规定执行。
9. 保障措施
9.1 通信与信息保障
在车间内设置火灾及泄漏物的监测报警装置设置专职人员在安全指挥中心对火灾报警信号时时监控安全指
挥中心设置24小时应急指挥电话,一旦发生事故,立即向应急总指挥汇报。火灾报警信号经值班人员确认火情
后,值班人员可直拨火灾电话119联系。公司应急指挥部成员联系方式见附件3。如通信设备不畅通,有必要时
派内车辆分别驶向信息传递处。日常对通信设施进行经常性检查,确保通信系统的可靠性,发现问题及时解决
。外部应急联络电话见附件4。
9.2应急队伍保障
安全部门督促检查公司应急力量的建设和准备情况完善应急救援队伍建设厂内设有兼职义务消防队、应急
救援小组及现场操作人员。为能在事故发生后迅速准确、有条不紊的处理事故,尽可能减小事故造成的损失,
平时定期进行培训及演练。
9.3应急物资装备保障
各应急救援小组根据其救援职责配备必要的应急救援装备,保证应急物资及时合理地调配与高效使用。
公司内配备了大量的应急救援物资,已建立应急救援设备、设施、防护器材、救治药品和医疗器械等维护管
理制度。
9.4经费及其他保障
处置突发环境事故所需工作经费列入公司财政预算由财务部门按照国家经费要求落实。主要包括体系建设
日常运行、应急队伍建设、救援演练、事故紧急救援装备等费用。公司各部门在发生事故时,要紧密配合、全
力支持事故应急救援,在人力、技术和后勤等方面实行统一调度。同时,根据职责分工,积极开展演练、物资
储备,为应急救援提供交通运输保障、治安保障、技术保障、医疗保障、后勤保障等。
10. 应急培训与演练
10.1应急培训
应急总指挥和应急副总指挥每年参加天津市武清区安监局组织的主要负责人安全管理培训并取得合格证。
(1) 应急救援人员的培训:
应急救援全体成员参加每年一次的应急救援预案知识和灭火器使用培训,每年一次且总培训时间不少16
小时。要求全体成员能够掌握以下内容:掌握应急救援预案,事故时按照预案有条不紊地组织应急救援;针对
事故现场的实际情况,熟悉如何有效地控制事故,避免事故失控和扩大化;学会使用应急救援设备和防护装备
明确各自救援职责。
(2) 员工应急响应的培训
定期对所有员工进行应急知识的培训和灭火器使用培训,每年一次且总培训时间不少16小时。要求所有员
工能够掌握:针对可能发生的事故,在紧急情况下如何进行避险、报警;如何采取有效措施控制事故和避免事
故扩大化;掌握厂区所涉及的化学品原料的特性、健康危害、危险性和急救方法;掌握火灾形成的原理、灭火
器的类型和不同灭火器的使用方法,并能实际操作灭火器。
(3) 监测人员应急监测工作的培训
针对发生的泄漏事故,需要应急监测人员熟悉使用监测设备,掌握监测采样、数据分析等技能,并且在监
测数据结果产生后立即形成监测报告便于应急领导小组及时作出应急救援及善后处置的指导意见。
(4) 厂区运输人员的培训
对厂外运输工作人员的培训,主要加强日常对本企业应急预案的教育告知逃生路线,火灾应急设施的放置
位置,厂内发生环境风险事故后外厂运输工作人员在做好对运输物料的安全保证的前提下,立即将所运输的各
种化学品原料送离事故源(厂区外),保证次生事故的发生。应急培训可以采用内部培训必要时也可以聘请专
家或组织人员参加外委培训,培训后应进行考核,并按公司相关规定记录。
10.2演练
公司每年至少组织一次突发环境事故应急救援演习,小范围的演练以及专项演练根据实际情况合理安排时
间进行。通过演练,锻炼和提高相关人员在突发事故情况下的快速抢险救援,及时营救伤员、正确指导和帮助
员工防护和撤离、有效消除危害后果、提高现场急救和伤员转送等应急救援技能和应急反应综合素质、有效降
低事故危害,减少事故损失。定期进行演练,使应急人员更清晰地明确各自的职责和工作程序,提高协同作战
的能力,保证应急救援工作的有效、迅速地开展。演练前制定周密的演习计划与程序,检查演习所需的器材、
工具,落实安全防护措施,对参加演习的人员进行安全教育。演练结束后,由应急指挥部对演练的效果进行分
析评估,总结演练时各部门应急反应能力及演习效果,解决演练中暴露的问题。演练过程、评估结果和问题整
改结果要以文字形式记录并保存。
11. 奖惩
对于在突发环境应急救援或演练工作中出色完成应急处置任务,防止或抢救事故有功,对应急救援工作提
出重大建议,实施效果显着的部门和个人,依据有关规定由公司给予奖励。对于在应急处置过程中对渎职不作
为的;拒绝履行应急救援义务,从而造成事故及损失扩大,后果严重的;应急状态下不服从命令和指挥,严重
干扰和影响应急工作的;严重影响事故应急救援工作实施的其他行为依据相关规定追究责任及相关纪律处分。
12. 预案的评审、发布和更新
12.1预案的评审
内部评审:应急预案草案编制完成后,应急总指挥组织应急副总指挥和各应急小组的负责人对应急预案草案进
行内部评审,针对应急保障措施的可行性、应急分工是否明确、合理等方面进行讨论,对不合理的地方进行修
改。外部评审:应急预案草案经内部评审后,邀请环保专家组成应急预案评估小组对应急预案草案进行评估。
环境应急预案评估小组应当重点评估环境应急预案的实用性、基本要素的完整性、内容格式的规范性、应急
保障措施的可行性以及与其他相关预案的衔接性等内容。应急预案编制人员根据评估结果,对应急预案草案进
行修改。
12.2预案的发布及更新
本预案发布之日起实施生效,公司安全部负责本预案的管理工作,公司启动应急救援预案或进行演练后,
该部门负责对救援情况和演练效果进行评价,提出修订意见,经公司经理批准后及时修订本预案。公司环境
事故应急预案每三年至少修订一次;有下列情形之一的,公司环境事故应急预案应当及时进行修订:
(一)化学品原料存储情况发生变化的;
(二)相关单位和人员发生变化或者应急组织指挥体系或职责调整的;
(三)周围环境或者环境敏感点发生变化的;
(四)环境应急预案依据的法律、法规、规章等发生变化的;
(五)环境保护主管部门或者企业事业单位认为应当适时修订的其他情形。
公司安全部门应当在环境事故应急预案修订后30日内报天津市武清区环境保护局重新备案。
13. 预案实施和生效日期
本预案自印发之日起实放生效。
附件2 外部救援单位联系电话:
厂内报警电话:022-82289920
武清区环保局事故报告电话: 022-29341573
武清区安全生产监督管理局: 022-82125008
武清区质量技术监督管理局: 022-27182013
世烨机电有限公司: 022-82280977
天津百里富工业有限公司: 022-82289360
附件3 应急培训计划
为全面提升公司对灾害事故处理的应急能力与应急意识,对公司从业人员应每年定期对员工进行应急培训
与演习,确定以下应急培训计划:
(1)应急救援人员常识培训
(2)公司应急救援人员专业培训
消 防 训 练
物质转移训练
泄漏堵源技术训练
现场急救训练(委外,每年一次)
附件5 公司地理位置简图
附件6 公司仓库位置分布简图
附件7 本公司应急逃生路线分布图
(需打印大图)
附件8 本公司工厂消防栓及消防管道分布图
(需打印大图)
附件9 本公司工厂可燃气体报警器布置图
(需打印大图)
.jpg)
.jpg)
.jpg)
.jpg)
.jpg)
.jpg)
.jpg)
.jpg)
.jpg)
.jpg)
.jpg)
.jpg)
.jpg)
.jpg)
.jpg)
.jpg)
.jpg)
.jpg)
.jpg)
.jpg)
.jpg)
.jpg)
.jpg)
.jpg)
.jpg)
.jpg)
.jpg)
.jpg)
.jpg)
.jpg)
.jpg)
.jpg)
.jpg)
.jpg)
.jpg)
.jpg)
.jpg)
.jpg)
.jpg)
.jpg)
.jpg)
.jpg)
.jpg)
.jpg)
.jpg)
.jpg)
.jpg)
.jpg)
.jpg)
.jpg)
.jpg)
.jpg)




















































































































天津新伟祥工业有限公司电子直线加速器和X射线实时成像检测系统周围辐射环境验收检测报告







热烈祝贺我公司通过AS9100体系认证
2017年4月27日,我公司获得英国劳氏质量认证颁发的AS9100C航空航天质量管理体系证书,为公司进入航空航天市场做好体系方面的准备,也标志着公司在体系管理方面再上新台阶。

%E9%A1%B9%E7%9B%AE%E7%8E%AF%E5%A2%83%E5%BD%B1%E5%93%8D%E6%8A%A5%E5%91%8A%E8%A1%A8_%E9%A1%B5%E9%9D%A2_03.jpg)
%E9%A1%B9%E7%9B%AE%E7%8E%AF%E5%A2%83%E5%BD%B1%E5%93%8D%E6%8A%A5%E5%91%8A%E8%A1%A8_%E9%A1%B5%E9%9D%A2_04.jpg)
%E9%A1%B9%E7%9B%AE%E7%8E%AF%E5%A2%83%E5%BD%B1%E5%93%8D%E6%8A%A5%E5%91%8A%E8%A1%A8_%E9%A1%B5%E9%9D%A2_05.jpg)
%E9%A1%B9%E7%9B%AE%E7%8E%AF%E5%A2%83%E5%BD%B1%E5%93%8D%E6%8A%A5%E5%91%8A%E8%A1%A8_%E9%A1%B5%E9%9D%A2_06.jpg)
%E9%A1%B9%E7%9B%AE%E7%8E%AF%E5%A2%83%E5%BD%B1%E5%93%8D%E6%8A%A5%E5%91%8A%E8%A1%A8_%E9%A1%B5%E9%9D%A2_07.jpg)
%E9%A1%B9%E7%9B%AE%E7%8E%AF%E5%A2%83%E5%BD%B1%E5%93%8D%E6%8A%A5%E5%91%8A%E8%A1%A8_%E9%A1%B5%E9%9D%A2_08.jpg)
%E9%A1%B9%E7%9B%AE%E7%8E%AF%E5%A2%83%E5%BD%B1%E5%93%8D%E6%8A%A5%E5%91%8A%E8%A1%A8_%E9%A1%B5%E9%9D%A2_09.jpg)
%E9%A1%B9%E7%9B%AE%E7%8E%AF%E5%A2%83%E5%BD%B1%E5%93%8D%E6%8A%A5%E5%91%8A%E8%A1%A8_%E9%A1%B5%E9%9D%A2_10.jpg)
%E9%A1%B9%E7%9B%AE%E7%8E%AF%E5%A2%83%E5%BD%B1%E5%93%8D%E6%8A%A5%E5%91%8A%E8%A1%A8_%E9%A1%B5%E9%9D%A2_11.jpg)
%E9%A1%B9%E7%9B%AE%E7%8E%AF%E5%A2%83%E5%BD%B1%E5%93%8D%E6%8A%A5%E5%91%8A%E8%A1%A8_%E9%A1%B5%E9%9D%A2_12.jpg)
%E9%A1%B9%E7%9B%AE%E7%8E%AF%E5%A2%83%E5%BD%B1%E5%93%8D%E6%8A%A5%E5%91%8A%E8%A1%A8_%E9%A1%B5%E9%9D%A2_13.jpg)
%E9%A1%B9%E7%9B%AE%E7%8E%AF%E5%A2%83%E5%BD%B1%E5%93%8D%E6%8A%A5%E5%91%8A%E8%A1%A8_%E9%A1%B5%E9%9D%A2_14.jpg)
%E9%A1%B9%E7%9B%AE%E7%8E%AF%E5%A2%83%E5%BD%B1%E5%93%8D%E6%8A%A5%E5%91%8A%E8%A1%A8_%E9%A1%B5%E9%9D%A2_15.jpg)
%E9%A1%B9%E7%9B%AE%E7%8E%AF%E5%A2%83%E5%BD%B1%E5%93%8D%E6%8A%A5%E5%91%8A%E8%A1%A8_%E9%A1%B5%E9%9D%A2_16.jpg)
%E9%A1%B9%E7%9B%AE%E7%8E%AF%E5%A2%83%E5%BD%B1%E5%93%8D%E6%8A%A5%E5%91%8A%E8%A1%A8_%E9%A1%B5%E9%9D%A2_17.jpg)
%E9%A1%B9%E7%9B%AE%E7%8E%AF%E5%A2%83%E5%BD%B1%E5%93%8D%E6%8A%A5%E5%91%8A%E8%A1%A8_%E9%A1%B5%E9%9D%A2_18.jpg)
%E9%A1%B9%E7%9B%AE%E7%8E%AF%E5%A2%83%E5%BD%B1%E5%93%8D%E6%8A%A5%E5%91%8A%E8%A1%A8_%E9%A1%B5%E9%9D%A2_19.jpg)
%E9%A1%B9%E7%9B%AE%E7%8E%AF%E5%A2%83%E5%BD%B1%E5%93%8D%E6%8A%A5%E5%91%8A%E8%A1%A8_%E9%A1%B5%E9%9D%A2_20.jpg)
%E9%A1%B9%E7%9B%AE%E7%8E%AF%E5%A2%83%E5%BD%B1%E5%93%8D%E6%8A%A5%E5%91%8A%E8%A1%A8_%E9%A1%B5%E9%9D%A2_21.jpg)
%E9%A1%B9%E7%9B%AE%E7%8E%AF%E5%A2%83%E5%BD%B1%E5%93%8D%E6%8A%A5%E5%91%8A%E8%A1%A8_%E9%A1%B5%E9%9D%A2_22.jpg)
%E9%A1%B9%E7%9B%AE%E7%8E%AF%E5%A2%83%E5%BD%B1%E5%93%8D%E6%8A%A5%E5%91%8A%E8%A1%A8_%E9%A1%B5%E9%9D%A2_23.jpg)
%E9%A1%B9%E7%9B%AE%E7%8E%AF%E5%A2%83%E5%BD%B1%E5%93%8D%E6%8A%A5%E5%91%8A%E8%A1%A8_%E9%A1%B5%E9%9D%A2_24.jpg)
%E9%A1%B9%E7%9B%AE%E7%8E%AF%E5%A2%83%E5%BD%B1%E5%93%8D%E6%8A%A5%E5%91%8A%E8%A1%A8_%E9%A1%B5%E9%9D%A2_25.jpg)
%E9%A1%B9%E7%9B%AE%E7%8E%AF%E5%A2%83%E5%BD%B1%E5%93%8D%E6%8A%A5%E5%91%8A%E8%A1%A8_%E9%A1%B5%E9%9D%A2_26.jpg)
%E9%A1%B9%E7%9B%AE%E7%8E%AF%E5%A2%83%E5%BD%B1%E5%93%8D%E6%8A%A5%E5%91%8A%E8%A1%A8_%E9%A1%B5%E9%9D%A2_27.jpg)
%E9%A1%B9%E7%9B%AE%E7%8E%AF%E5%A2%83%E5%BD%B1%E5%93%8D%E6%8A%A5%E5%91%8A%E8%A1%A8_%E9%A1%B5%E9%9D%A2_28.jpg)
%E9%A1%B9%E7%9B%AE%E7%8E%AF%E5%A2%83%E5%BD%B1%E5%93%8D%E6%8A%A5%E5%91%8A%E8%A1%A8_%E9%A1%B5%E9%9D%A2_29.jpg)
%E9%A1%B9%E7%9B%AE%E7%8E%AF%E5%A2%83%E5%BD%B1%E5%93%8D%E6%8A%A5%E5%91%8A%E8%A1%A8_%E9%A1%B5%E9%9D%A2_30.jpg)
%E9%A1%B9%E7%9B%AE%E7%8E%AF%E5%A2%83%E5%BD%B1%E5%93%8D%E6%8A%A5%E5%91%8A%E8%A1%A8_%E9%A1%B5%E9%9D%A2_31.jpg)
%E9%A1%B9%E7%9B%AE%E7%8E%AF%E5%A2%83%E5%BD%B1%E5%93%8D%E6%8A%A5%E5%91%8A%E8%A1%A8_%E9%A1%B5%E9%9D%A2_32.jpg)
%E9%A1%B9%E7%9B%AE%E7%8E%AF%E5%A2%83%E5%BD%B1%E5%93%8D%E6%8A%A5%E5%91%8A%E8%A1%A8_%E9%A1%B5%E9%9D%A2_33.jpg)
%E9%A1%B9%E7%9B%AE%E7%8E%AF%E5%A2%83%E5%BD%B1%E5%93%8D%E6%8A%A5%E5%91%8A%E8%A1%A8_%E9%A1%B5%E9%9D%A2_34.jpg)
%E9%A1%B9%E7%9B%AE%E7%8E%AF%E5%A2%83%E5%BD%B1%E5%93%8D%E6%8A%A5%E5%91%8A%E8%A1%A8_%E9%A1%B5%E9%9D%A2_35.jpg)
%E9%A1%B9%E7%9B%AE%E7%8E%AF%E5%A2%83%E5%BD%B1%E5%93%8D%E6%8A%A5%E5%91%8A%E8%A1%A8_%E9%A1%B5%E9%9D%A2_36.jpg)
%E9%A1%B9%E7%9B%AE%E7%8E%AF%E5%A2%83%E5%BD%B1%E5%93%8D%E6%8A%A5%E5%91%8A%E8%A1%A8_%E9%A1%B5%E9%9D%A2_37.jpg)
%E9%A1%B9%E7%9B%AE%E7%8E%AF%E5%A2%83%E5%BD%B1%E5%93%8D%E6%8A%A5%E5%91%8A%E8%A1%A8_%E9%A1%B5%E9%9D%A2_38.jpg)
%E9%A1%B9%E7%9B%AE%E7%8E%AF%E5%A2%83%E5%BD%B1%E5%93%8D%E6%8A%A5%E5%91%8A%E8%A1%A8_%E9%A1%B5%E9%9D%A2_39.jpg)
%E9%A1%B9%E7%9B%AE%E7%8E%AF%E5%A2%83%E5%BD%B1%E5%93%8D%E6%8A%A5%E5%91%8A%E8%A1%A8_%E9%A1%B5%E9%9D%A2_40.jpg)
%E9%A1%B9%E7%9B%AE%E7%8E%AF%E5%A2%83%E5%BD%B1%E5%93%8D%E6%8A%A5%E5%91%8A%E8%A1%A8_%E9%A1%B5%E9%9D%A2_41.jpg)
%E9%A1%B9%E7%9B%AE%E7%8E%AF%E5%A2%83%E5%BD%B1%E5%93%8D%E6%8A%A5%E5%91%8A%E8%A1%A8_%E9%A1%B5%E9%9D%A2_42.jpg)
%E9%A1%B9%E7%9B%AE%E7%8E%AF%E5%A2%83%E5%BD%B1%E5%93%8D%E6%8A%A5%E5%91%8A%E8%A1%A8_%E9%A1%B5%E9%9D%A2_43.jpg)
%E9%A1%B9%E7%9B%AE%E7%8E%AF%E5%A2%83%E5%BD%B1%E5%93%8D%E6%8A%A5%E5%91%8A%E8%A1%A8_%E9%A1%B5%E9%9D%A2_44.jpg)
%E9%A1%B9%E7%9B%AE%E7%8E%AF%E5%A2%83%E5%BD%B1%E5%93%8D%E6%8A%A5%E5%91%8A%E8%A1%A8_%E9%A1%B5%E9%9D%A2_45.jpg)
%E9%A1%B9%E7%9B%AE%E7%8E%AF%E5%A2%83%E5%BD%B1%E5%93%8D%E6%8A%A5%E5%91%8A%E8%A1%A8_%E9%A1%B5%E9%9D%A2_46.jpg)
%E9%A1%B9%E7%9B%AE%E7%8E%AF%E5%A2%83%E5%BD%B1%E5%93%8D%E6%8A%A5%E5%91%8A%E8%A1%A8_%E9%A1%B5%E9%9D%A2_47.jpg)
%E9%A1%B9%E7%9B%AE%E7%8E%AF%E5%A2%83%E5%BD%B1%E5%93%8D%E6%8A%A5%E5%91%8A%E8%A1%A8_%E9%A1%B5%E9%9D%A2_48.jpg)
%E9%A1%B9%E7%9B%AE%E7%8E%AF%E5%A2%83%E5%BD%B1%E5%93%8D%E6%8A%A5%E5%91%8A%E8%A1%A8_%E9%A1%B5%E9%9D%A2_49.jpg)
%E9%A1%B9%E7%9B%AE%E7%8E%AF%E5%A2%83%E5%BD%B1%E5%93%8D%E6%8A%A5%E5%91%8A%E8%A1%A8_%E9%A1%B5%E9%9D%A2_50.jpg)
%E9%A1%B9%E7%9B%AE%E7%8E%AF%E5%A2%83%E5%BD%B1%E5%93%8D%E6%8A%A5%E5%91%8A%E8%A1%A8_%E9%A1%B5%E9%9D%A2_51.jpg)
%E9%A1%B9%E7%9B%AE%E7%8E%AF%E5%A2%83%E5%BD%B1%E5%93%8D%E6%8A%A5%E5%91%8A%E8%A1%A8_%E9%A1%B5%E9%9D%A2_52.jpg)
%E9%A1%B9%E7%9B%AE%E7%8E%AF%E5%A2%83%E5%BD%B1%E5%93%8D%E6%8A%A5%E5%91%8A%E8%A1%A8_%E9%A1%B5%E9%9D%A2_53.jpg)
%E9%A1%B9%E7%9B%AE%E7%8E%AF%E5%A2%83%E5%BD%B1%E5%93%8D%E6%8A%A5%E5%91%8A%E8%A1%A8_%E9%A1%B5%E9%9D%A2_54.jpg)
%E9%A1%B9%E7%9B%AE%E7%8E%AF%E5%A2%83%E5%BD%B1%E5%93%8D%E6%8A%A5%E5%91%8A%E8%A1%A8_%E9%A1%B5%E9%9D%A2_55.jpg)
%E9%A1%B9%E7%9B%AE%E7%8E%AF%E5%A2%83%E5%BD%B1%E5%93%8D%E6%8A%A5%E5%91%8A%E8%A1%A8_%E9%A1%B5%E9%9D%A2_56.jpg)
%E9%A1%B9%E7%9B%AE%E7%8E%AF%E5%A2%83%E5%BD%B1%E5%93%8D%E6%8A%A5%E5%91%8A%E8%A1%A8_%E9%A1%B5%E9%9D%A2_57.jpg)
%E9%A1%B9%E7%9B%AE%E7%8E%AF%E5%A2%83%E5%BD%B1%E5%93%8D%E6%8A%A5%E5%91%8A%E8%A1%A8_%E9%A1%B5%E9%9D%A2_58.jpg)
%E9%A1%B9%E7%9B%AE%E7%8E%AF%E5%A2%83%E5%BD%B1%E5%93%8D%E6%8A%A5%E5%91%8A%E8%A1%A8_%E9%A1%B5%E9%9D%A2_59.jpg)
%E9%A1%B9%E7%9B%AE%E7%8E%AF%E5%A2%83%E5%BD%B1%E5%93%8D%E6%8A%A5%E5%91%8A%E8%A1%A8_%E9%A1%B5%E9%9D%A2_60.jpg)
%E9%A1%B9%E7%9B%AE%E7%8E%AF%E5%A2%83%E5%BD%B1%E5%93%8D%E6%8A%A5%E5%91%8A%E8%A1%A8_%E9%A1%B5%E9%9D%A2_61.jpg)
%E9%A1%B9%E7%9B%AE%E7%8E%AF%E5%A2%83%E5%BD%B1%E5%93%8D%E6%8A%A5%E5%91%8A%E8%A1%A8_%E9%A1%B5%E9%9D%A2_62.jpg)
%E9%A1%B9%E7%9B%AE%E7%8E%AF%E5%A2%83%E5%BD%B1%E5%93%8D%E6%8A%A5%E5%91%8A%E8%A1%A8_%E9%A1%B5%E9%9D%A2_63.jpg)
%E9%A1%B9%E7%9B%AE%E7%8E%AF%E5%A2%83%E5%BD%B1%E5%93%8D%E6%8A%A5%E5%91%8A%E8%A1%A8_%E9%A1%B5%E9%9D%A2_64.jpg)
%E9%A1%B9%E7%9B%AE%E7%8E%AF%E5%A2%83%E5%BD%B1%E5%93%8D%E6%8A%A5%E5%91%8A%E8%A1%A8_%E9%A1%B5%E9%9D%A2_65.jpg)
%E9%A1%B9%E7%9B%AE%E7%8E%AF%E5%A2%83%E5%BD%B1%E5%93%8D%E6%8A%A5%E5%91%8A%E8%A1%A8_%E9%A1%B5%E9%9D%A2_66.jpg)
%E9%A1%B9%E7%9B%AE%E7%8E%AF%E5%A2%83%E5%BD%B1%E5%93%8D%E6%8A%A5%E5%91%8A%E8%A1%A8_%E9%A1%B5%E9%9D%A2_67.jpg)
%E9%A1%B9%E7%9B%AE%E7%8E%AF%E5%A2%83%E5%BD%B1%E5%93%8D%E6%8A%A5%E5%91%8A%E8%A1%A8_%E9%A1%B5%E9%9D%A2_68.jpg)
%E9%A1%B9%E7%9B%AE%E7%8E%AF%E5%A2%83%E5%BD%B1%E5%93%8D%E6%8A%A5%E5%91%8A%E8%A1%A8_%E9%A1%B5%E9%9D%A2_69.jpg)
%E9%A1%B9%E7%9B%AE%E7%8E%AF%E5%A2%83%E5%BD%B1%E5%93%8D%E6%8A%A5%E5%91%8A%E8%A1%A8_%E9%A1%B5%E9%9D%A2_70.jpg)
%E9%A1%B9%E7%9B%AE%E7%8E%AF%E5%A2%83%E5%BD%B1%E5%93%8D%E6%8A%A5%E5%91%8A%E8%A1%A8_%E9%A1%B5%E9%9D%A2_71.jpg)
%E9%A1%B9%E7%9B%AE%E7%8E%AF%E5%A2%83%E5%BD%B1%E5%93%8D%E6%8A%A5%E5%91%8A%E8%A1%A8_%E9%A1%B5%E9%9D%A2_01.jpg)
%E9%A1%B9%E7%9B%AE%E7%8E%AF%E5%A2%83%E5%BD%B1%E5%93%8D%E6%8A%A5%E5%91%8A%E8%A1%A8_%E9%A1%B5%E9%9D%A2_02.jpg)
热烈祝贺我公司通过ISO50001体系认证
2017年2月8日,天津新伟祥工业有限公司(NWS)顺利通过LRQA进行的ISO 50001能源管理体系认证。通过ISO 50001认证,公司不断提升数据化管理及系统性管理水平,加强人员能力培训,满足了相关方的要求,达到了节能减排目的,提升了企业形象和企业竞争力。

天津达祥精密工业有限公司防治污染设施的建设和运行情况
天津达祥精密工业有限公司所有防治污染设施都在正常运转,达标排放符合相关法律、法规的标准要求。
荣获2015年度John Deere 最佳年度供应商奖

天津新伟祥工业有限公司CT检测室臭氧检测报告




天津达祥精密工业有限公司2018年排污信息



























天津新伟祥工业有限公司基础信息
单位名称:天津新伟祥工业有限公司
组织机构代码: 60089446-6
法定代表人:陈友三
联系方式:022-82289920
生产地址:天津市武清区上马台工业区金发路2号
生产经营和管理服务的主要内容产品及规模: 生产并销售覆膜砂、金属制品、(铁、铝)铸品及加工;汽车用铸锻毛坯件及涡轮增压器、发动机零部件、汽轮机及涡轮机零配件的制造、加工、装配与销售和相关高新产品的开发与技术咨询服务。(依法必须经批准的项目,经相关部门批准后方可开展经营活动)
天津达祥精密工业有限公司 2018第一季度检测报告
提示:详细文件信息点击图片链接
天津新伟祥工业有限公司 2018第一季度检测报告
提示:详细文件信息点击图片链接
NWS铸造环评及环境保护行政许可
提示:详细文件信息点击图片链接
NWS加工环评及环境保护行政许可
提示:详细文件信息点击图片链接
NWS再生砂环评及环境保护行政许可
提示:详细文件信息点击图片链接
NWS铸钢环评及环境保护行政许可
提示:详细文件信息点击图片链接
天津新伟祥工业有限公司温室气体排放报告
提示:详细文件信息点击图片链接
天津新伟祥工业有限公司
购置VOCs废气处理设备项目
竣工环境保护监测验收报告信息公示
根据《环境影响评价公众参与暂行办法》(国家环保总局环发【2006】28号)、《关于发布<建设项目竣工环境保护验收暂行办法>的公告》(国环规评【2017】4号)相关规定,现将《天津新伟祥工业有限公司购置VOCs废气处理设备项目竣工环境保护验收监测报告》进行公开,以接受监督。
项目基本情况如下:
1. 项目名称:天津新伟祥工业有限公司购置VOCs废气处理设备项目
2. 建设单位:天津北海石化工程有限公司
3. 建设地点:天津市武清区上马台镇金发路2号
4. 项目概况:该项目立项投资为1288万元,实际投资为1121.5万元,全部为环保投资,环保投资占总工程的100%
5. 建设单位的联系方式:
单位名称:天津北海石化工程有限公司
单位地址:天津市滨海高新区华苑产业园区兰苑路1号
联系电话:022-83909581
6. 环保单位联系方式:
单位名称:中科信阳(天津)环保科技有限公司
单位地址:天津市滨海高新区华苑产业园区(环外)海泰大道36号
联系电话:010-52406098
7. 公示意见收集起止日期:
自 2018 年 03 月 28 日- 2018 年 04 月 26 日,共20个工作日
附件:天津新伟祥工业有限公司购置VOCs废气处理设备项目竣工环境保护验收监测报告
天津达祥精密工业有限公司
购置低温真空蒸馏设备项目
环境影响评价公众参与第一次公示
一、建设项目概况
1、建设项目名称:天津达祥精密工业有限公司购置低温真空蒸馏设备项目
2、项目地址:天津市武清区上马台镇工业园区金发路6号
3、建设内容:加工二厂内建设机加工废液处理系统,配置2套低温真空蒸馏设备(1#、2#)及配套处理设施,对加工一厂、加工二厂产生的废清洗液、废切削液(以下简称“机加工废液”)进行车间内处理;改造现有生产废水处理车间内,建设生产废液处理系统,配置1套低温真空蒸馏设备(3#)及配套处理设施,处理地面清洗废水、空压机冷凝废液、离心废切削液、探伤荧光废液以及水洗塔废液。
4、建设性质:改扩建
二、建设单位名称和联系方式
建设单位:天津达祥精密工业有限公司
联 系 人:李 昌
联系电话:13652117687
电子邮箱:changli@nws.cn
地 址:天津市武清区上马台镇工业园区金发路6号
三、环境影响报告书编制单位的名称和联系方式
编制单位:天科院环境科技发展(天津)有限公司
联 系 人:曹丽华
联系电话:022-59812345-8322
电子邮箱:396679232@qq.com
地 址:天津市滨海新区新港二号路2618号
四、公众意见表的网络链接
本次通过填报公众意见表的方式征求与本项目环境影响和环境保护措施有关的建议和意见。
公众意见表的网络链接
http://www.mee.gov.cn/xxgk2018/xxgk/xxgk01/201810/t20181024_665329.html
五、公众提交公众意见表的方式和途径
公众可以通过电子邮件、信函的方式,将填写的公众意见表提交建设单位或环境影响报告书编制单位,反映与建设项目环境影响有关的建议和意见。
本次为建设项目环境影响评价信息的首次公示,在环境影响报告书征求意见稿编制过程中,公众均可向建设单位或环境影响报告书编制单位提出与环境影响评价相关的意见和建议。
公示单位:天津达祥精密工业有限公司(盖章)
日 期:2021年8月30日
附件:天津达祥精密工业有限公司购置低温真空蒸馏设备项目环境影响评价公众参与第一次公示
天津达祥精密工业有限公司
购置VOCs废气处理设备项目
竣工环境保护监测验收报告信息公示
根据《环境影响评价公众参与暂行办法》(国家环保总局环发【2006】28号)、《关于发布<建设项目竣工环境保护验收暂行办法>的公告》(国环规评【2017】4号)相关规定,现将《天津达祥精密工业有限公司购置VOCs废气处理设备项目竣工环境保护验收监测报告》进行公开,以接受监督。
项目基本情况如下:
1. 项目名称:天津达祥精密工业有限公司购置VOCs废气处理设备项目
2. 建设单位:天津北海石化工程有限公司
3. 建设地点:天津市武清区上马台镇金发路6号
4. 项目概况:该项目立项投资为1087万元,实际投资为995.5万元,全部为环保投资,环保投资占总工程的100%
5. 建设单位的联系方式:
单位名称:天津北海石化工程有限公司
单位地址:天津市滨海高新区华苑产业园区兰苑路1号
联系电话:022-83909581
6. 环保单位联系方式:
单位名称:中科信阳(天津)环保科技有限公司
单位地址:天津市滨海高新区华苑产业园区(环外)海泰大道36号
联系电话:010-52406098
7. 公示意见收集起止日期
自2018年 03 月 28 日-2018年 04 月 26 日,共20个工作日
附件:天津达祥精密工业有限公司购置VOCs废气处理设备项目竣工环境保护验收监测报告
天津新伟祥工业有限公司
购置低温真空蒸馏设备项目
环境影响评价公众参与第一次公示
一、建设项目概况
1、建设项目名称:天津新伟祥工业有限公司购置低温真空蒸馏设备项目
2、项目地址:天津市武清区上马台镇工业园区金发路2号
3、建设内容:加工三厂内建设机加工废液处理系统,配置2套低温真空蒸馏设备(1#、2#)及配套处理设施,对加工三厂、加工四厂产生的废清洗液、废切削液(以下简称“机加工废液”)进行车间内处理;租赁天津达祥工业有限公司生产废水处理车间部分场地,建设生产废液处理系统,配置1套低温真空蒸馏设备(3#)及配套处理设施,处理地面清洗废水、空压机冷凝废液、离心废切削液、探伤荧光废液以及水洗塔废液。
4、建设性质:改扩建
二、建设单位名称和联系方式
建设单位:天津新伟祥工业有限公司
联 系 人:李 昌
联系电话:13652117687
电子邮箱:changli@nws.cn
地 址:天津市武清区上马台镇工业园区金发路2号
三、环境影响报告书编制单位的名称和联系方式
编制单位:天科院环境科技发展(天津)有限公司
联 系 人:曹丽华
联系电话:022-59812345-8322
电子邮箱:396679232@qq.com
地 址:天津市滨海新区新港二号路2618号
四、公众意见表的网络链接
本次通过填报公众意见表的方式征求与本项目环境影响和环境保护措施有关的建议和意见。
公众意见表的网络链接
http://www.mee.gov.cn/xxgk2018/xxgk/xxgk01/201810/t20181024_665329.html
五、公众提交公众意见表的方式和途径
公众可以通过电子邮件、信函的方式,将填写的公众意见表提交建设单位或环境影响报告书编制单位,反映与建设项目环境影响有关的建议和意见。
本次为建设项目环境影响评价信息的首次公示,在环境影响报告书征求意见稿编制过程中,公众均可向建设单位或环境影响报告书编制单位提出与环境影响评价相关的意见和建议。
公示单位:天津新伟祥工业有限公司(盖章)
日 期:2021年8月30日
附件:天津新伟祥工业有限公司购置低温真空蒸馏设备项目环境影响评价公众参与第一次公示
企业基本情况简介
1.企业基本信息:
企业名称:天津达祥精密工业有限公司
法人代表:陈友三
企业所在地址:天津市武清区上马台工业区金发路6号
2. 使用有毒有害原料的名称、数量、用途
|
序号 |
名称 |
数量(千克) |
用途 |
|
1 |
三乙胺 |
97460 |
制芯工序 |
3. 排放有毒有害物质的名称、浓度和数量
公司排放有毒有害物质有挥发性有机物、甲醛、三乙胺,经天津永发环境检测有限公司检测,全部达标排放。
4. 危险废物的产生和处置情况
公司生产过程产生的废切削液、废涂料、废荧光水、废磷酸液、废活性炭、污泥等危险废物,收集后交天津合佳威立雅环境服务有限公司回收处置。
5. 依法落实环境风险防控措施情况等
① 2020年公司取得排污许可证。
② 2019年公司编制了《天津达祥精密工业有限公司突发环境事件应急预案》;
③ 2018年公司编制了《天津达祥精密工业有限公司工业污染源全面达标排放评估报告》;
④ 公司生产过程产生的危险废物交与天津合佳威立雅环境服务有限公司处置。
天津新伟祥工业有限公司购置低温真空蒸馏设备项目
环境影响评价公众参与第二次公示
根据生态环境部令第4号,自2019年1月1日起施行的《环境影响评价公众参与办法》规定,建设项目环境影响报告书征求意见稿形成后,建设单位应当公开信息,征求与
该建设项目环境影响有关的意见,征求公众意见的期限不得少于10个工作日,本项目在公共媒体网站公开下列信息:
一、建设项目概况
1、建设项目名称:天津新伟祥工业有限公司购置低温真空蒸馏设备项目
2、项目地址:天津市武清区上马台镇工业园区金发路2号
3、建设内容:加工三厂内建设机加工废液处理系统,配置2套低温真空蒸馏设备(1#、2#)及配套处理设施,对加工三厂、加工四厂产生的废清洗液、废切削液(以下简
称“机加工废液”)进行车间内处理;租赁天津达祥工业有限公司生产废水处理车间部分场地,建设生产废液处理系统,配置1套低温真空蒸馏设备(3#)及配套处理设施,处理地面清洗废水、空压机冷凝废液、离心废切削液、探伤荧光废液以及水洗塔废液。
4、建设性质:改扩建
二、查阅环境影响报告书征求意见稿全文和公众意见表的方式和途径
《天津新伟祥工业有限公司购置低温真空蒸馏设备项目环境影响报告书(征求意见稿)》(见附件)。
查阅纸质版报告书请联系建设单位或编制单位。
三、征求意见的公众范围及主要事项
征求评价范围内敏感点公众对本项目环境影响和环境保护措施有关的建议和意见,接受公众的监督,以便完善工程环保治理措施。
四、征求意见的公众范围
受项目直接、间接影响的单位和个人。
五、公众提出意见的方式和途径
公众可按“公众意见表的网络链接”提供的方式下载本项目公众意见表,填写相关意见和内容,通过电子邮件、信函等形式将公众意见表反馈给建设单位或环境影响报告
书编制单位。如有其他问题可通过写信、发邮件、打电话等形式向建设单位或环境影响报告书编制单位进行咨询。
公众意见表的网络链接:
http://www.mee.gov.cn/xxgk2018/xxgk/xxgk01/201810/t20181024_665329.html
建设单位名称和联系方式
建设单位:天津新伟祥工业有限公司
联 系 人:李 昌
联系电话:13652117687
电子邮箱:changli@nws.cn
地 址:天津市武清区上马台镇工业园区金发路2号
环境影响报告书编制单位的名称和联系方式
编制单位:天科院环境科技发展(天津)有限公司
联 系 人:曹丽华
联系电话:022-59812345-8128
电子邮箱:396679232@qq.com
地 址:天津市滨海新区新港二号路2618号
六、公众提出意见的起止时间
公示有效时间为本公示之日起10个工作日。
七、公众提交公众意见表的方式和途径
公众可以通过电子邮件、信函的方式,将填写的公众意见表提交建设单位或环境影响报告书编制单位,反映与建设项目环境影响有关的建议和意见。
公示单位:天津新伟祥工业有限公司
日期:2021年10月09日
附件:天津新伟祥工业有限公司购置低温真空蒸馏设备项目环境影响评价公众参与第二次公示
天津达祥精密工业有限公司购置低温真空蒸馏设备项目
环境影响评价公众参与第二次公示
根据生态环境部令第4号,自2019年1月1日起施行的《环境影响评价公众参与办法》规定,建设项目环境影响报告书征求意见稿形成后,建设单位应当公开信息,征求与该建设项目环境影响有关的意见,征求公众意见的期限不得少于10个工作日,本项目在公共媒体网站公开下列信息:
一、建设项目概况
1、建设项目名称:天津达祥精密工业有限公司购置低温真空蒸馏设备项目
2、项目地址:天津市武清区上马台镇工业园区金发路6号
3、建设内容:加工二厂内建设机加工废液处理系统,配置2套低温真空蒸馏设备(1#、2#)及配套处理设施,对加工一厂、加工二厂产生的废清洗液、废切削液(以下简称“机加工废液”)进行车间内处理;改造现有生产废水处理车间内,建设生产废液处理系统,配置1套低温真空蒸馏设备(3#)及配套处理设施,处理地面清洗废水、空压机冷凝废液、 离心废切削液、探伤荧光废液以及水洗塔废液。
4、建设性质:改扩建
二、查阅环境影响报告书征求意见稿全文和公众意见表的方式和途径
《天津达祥精密工业有限公司购置低温真空蒸馏设备项目环境影响报告书(征求意见稿)》(见附件)
查阅纸质版报告书请联系建设单位或编制单位。
三、征求意见的公众范围及主要事项
征求评价范围内敏感点公众对本项目环境影响和环境保护措施有关的建议和意见,接受公众的监督,以便完善工程环保治理措施。
四、征求意见的公众范围
受项目直接、间接影响的单位和个人。
五、公众提出意见的方式和途径
公众可按“公众意见表的网络链接”提供的方式下载本项目公众意见表,填写相关意见和内容,通过电子邮件、信函等形式将公众意见表反馈给建设单位或环境影响报告书编制单位。如有其他问题可通过写信、发邮件、打电话等形式向建设单位或
环境影响报告书编制单位进行咨询。
公众意见表的网络链接:
http://www.mee.gov.cn/xxgk2018/xxgk/xxgk01/201810/t20181024_665329.html
建设单位名称和联系方式
建设单位:天津达祥精密工业有限公司
联 系 人:李昌
联系电话:13652117687
电子邮箱:changli@nws.cn
地 址:天津市武清区上马台镇工业园区金发路6号
环境影响报告书编制单位的名称和联系方式
编制单位:天科院环境科技发展(天津)有限公司
联 系 人:曹丽华
联系电话:022-59812345-8128
电子邮箱:396679232@qq.com
地 址:天津市滨海新区新港二号路2618号
六、公众提出意见的起止时间
公示有效时间为本公示之日起10个工作日。
七、公众提交公众意见表的方式和途径
公众可以通过电子邮件、信函的方式,将填写的公众意见表提交建设单位或环境影响报告书编制单位,反映与建设项目环境影响有关的建议和意见。
公示单位:天津达祥精密工业有限公司
日期:2021年10月09日
附件:天津达祥精密工业有限公司购置低温真空蒸馏设备项目环境影响评价公众参与第二次公示
《天津新伟祥工业有限公司购置低温真空蒸馏设备项目环境影响报告书》
及公众参与说明拟报批前公示
我单位委托天科院环境科技发展(天津)有限公司承担“天津达祥精密工业有限公司购置低温真空蒸馏设备项目”环境影响评价工作。目前,该项目环境影响报告书及公众参与说明已编制完成,拟上报武清区生态环境局生态审批。根据《中华人民共和国环境影响评价法》、《环境影响评价公众参与办法》(生态环境部令第4号)中相关规定,现开展《天津达祥精密工业有限公司购置低温真空蒸馏设备项目环境影响报告书》及公众参与说明拟报批前公示,以听取社会各界对该项目的环境影响及有关环境保护工作的意见和建议,公示材料如下:
公示单位:天津新伟祥工业有限公司
日期:2022年01月06日
天津达祥精密工业有限公司危废信息公开
公示单位:天津达祥精密工业有限公司
日期:2022年05月12日
美达工业有限公司/天津新伟祥工业有限公司/天津达祥精密工业有限公司承诺
以全球契约10个原则为基础,从国际化角度出发,积极开展企业社会责任活动,满足国际社会众多利益相关者的要求,开展富有责任感的经营活动,为建设可持续发展的社会做出贡献。
美达工业有限公司/天津新伟祥工业有限公司/天津达祥精密工业有限公司承诺遵守
联合国全球契约在“人权、劳工标准、环境、反贪污”等四个方面10个原则。

人权
原则1:企业应该尊重和维护国际公认的各项人权;
原则2:绝不参与任何漠视与践踏人权的行为。
劳工
原则3:企业应该维护结社自由,承认劳资集体谈判的权利;
原则4:消除各种形式的强制性劳动;
原则5:消除童工;
原则6:杜绝任何在雇用与职业方面的歧视行为。
环境
原则7:企业应对环境问题做到未雨绸缪;
原则8:主动承担更多的环保责任;
原则9:鼓励环境友好技术的发展与推广。
反腐败
原则10:企业应反对各种形式的贪污行为,包括敲诈、勒索和行贿受贿。
公示单位:美达工业有限公司/天津新伟祥工业有限公司/天津达祥精密工业有限公司
日期:2022年12月30日
天津新伟祥工业有限公司突发环境事件应急预案
![]() |
提示:详细文件信息点击图片链接
天津新伟祥工业有限公司排污信息
提示:详细文件信息点击图片链接
天津新伟祥工业有限公司危废信息公开
公示单位:天津新伟祥工业有限公司
日期:2022年05月12日







NWS防治污染设施的建设和运行情况
天津新伟祥工业有限公司所有防治污染设施都在正常运转,达标排放符合相关法律、法规的标准要求。
美达工业有限公司/天津新伟祥工业有限公司/天津达祥精密工业有限公司致力配合美国无冲突金属法案,详细调查供应链确保生产的产品及其使用的原料不是由刚果民主共和国(DRC)冲突区域之矿区开采或循非法走私途径取得,特此声明
We hereby declare that we are taking and will take due diligence within our supply chain to assure and endeavor to avoid using the Conflict Materials is neither derived from mines in conflict areas of the Democratic Republic of Congo (DRC), nor illegally taxed on trade routes
美达工业有限公司/天津新伟祥工业有限公司/天津达祥精密工业有限公司致力配合美国无冲突金属法案,详细调查供应链确保生产的产品及其使用的原料不是由刚果民主共和国(DRC)冲突区域之矿区开采或循非法走私途径取得,特此声明
We hereby declare that we are taking and will take due diligence within our supply chain to assure and endeavor to avoid using the Conflict Materials is neither derived from mines in conflict areas of the Democratic Republic of Congo (DRC), nor illegally taxed on trade routes
提示:详细文件信息点击图片链接
提示:详细文件信息点击图片链接
《天津达祥精密工业有限公司购置低温真空蒸馏设备项目环境影响报告书》
及公众参与说明拟报批前公示
我单位委托天科院环境科技发展(天津)有限公司承担“天津达祥精密工业有限公司购置低温真空蒸馏设备项目”环境影响评价工作。目前,该项目环境影响报告书及公众参与说明已编制完成,拟上报武清区生态环境局生态审批。根据《中华人民共和国环境影响评价法》、《环境影响评价公众参与办法》(生态环境部令第4号)中相关规定,现开展《天津达祥精密工业有限公司购置低温真空蒸馏设备项目环境影响报告书》及公众参与说明拟报批前公示,以听取社会各界对该项目的环境影响及有关环境保护工作的意见和建议,公示材料如下:
公示单位:天津达祥精密工业有限公司
日期:2022年01月06日










.jpg)
.jpg)